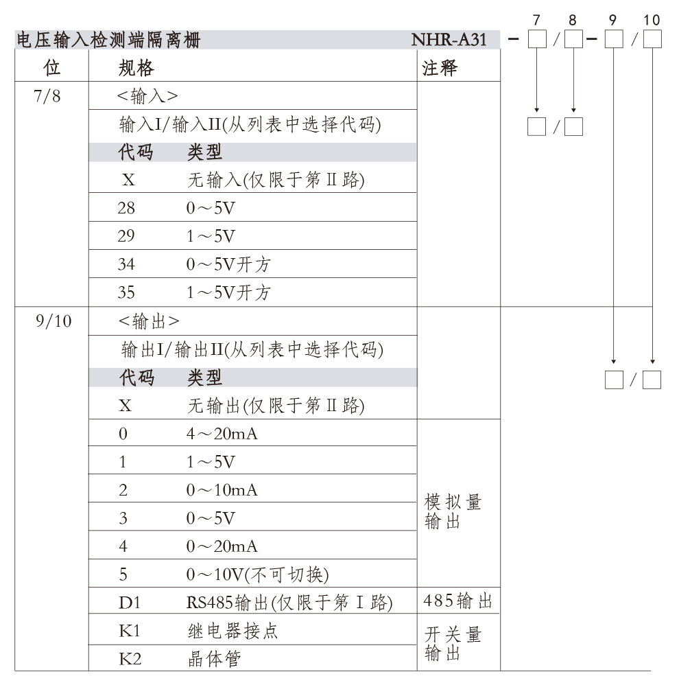
OHR-A31系列電壓輸入檢測端隔離柵
虹潤公司是專業生產隔離器的國家專精特新“小巨人”企業。生產的隔離式安全柵涵蓋信號電壓輸入、電流輸入、熱電阻輸入、熱電偶輸入、頻率輸入、開關量輸入等多種產品類型。產品獲得具備減震抗干擾能力的溫度變送器、信號隔離器、一種二端子模塊、無源信號隔離器等4項國家發明專利,主持起草物聯網智能溫度儀表、現場設備工具(FDT)接口規范、工業過程測量和控制系統用溫度變送器等3項國家標準,以及通信系統多通道數據采集控制終端規范軍用標準。參與國際5G標準制定,取得智能隔離式安全柵等4項相關軟件著作權。產品廣泛應用于石油、電力、化工,冶金、智能制造、污水處理等諸多行業。












咨詢電話 0599-7821390
商務郵箱 hrgs@hrgs.com.cn

直接掃碼
虹潤微信客服

虹潤官方微信
fjhongrun