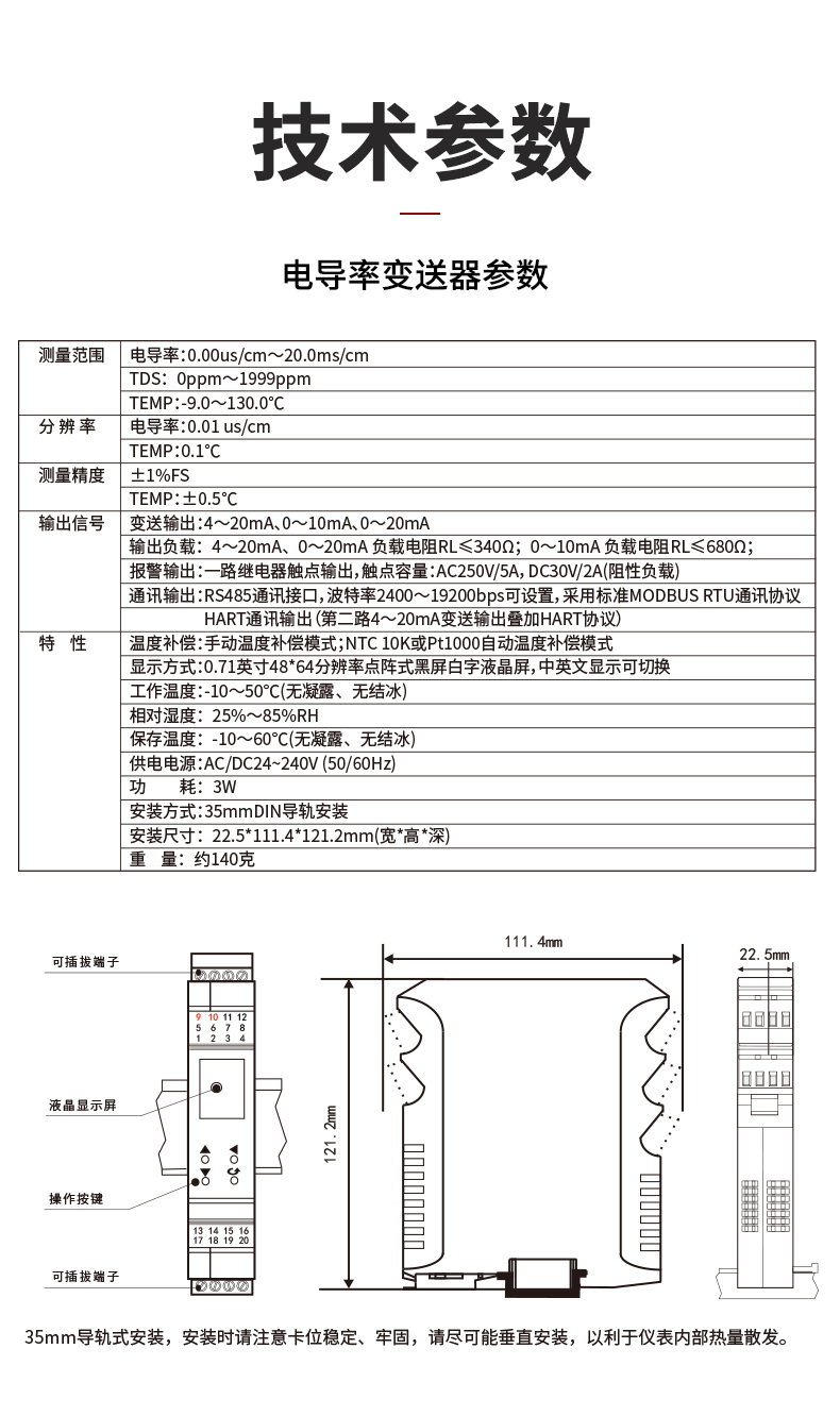
OHR-EC30系列電導率變送器
虹潤公司是專業生產水質分析儀的國家專精特新“小巨人”企業。生產的導軌式電導率變送器,具有測量穩定不跳字,液晶按鍵操控,變送輸出精準,寬范圍電源供電,RS485或HART通訊等特點。產品獲得一種信號發生裝置、智能化控制器等2項國家發明專利;主持起草現場設備集成等5項智能制造國家標準,以及現場設備工具(FDT)接口規范、工業過程控制系統用模擬輸入兩位或多位輸出儀表、過程分析技術系統等3項國家標準;參與國際5G標準制定,取得導軌電導率變送器等3項相關軟件著作權。產品廣泛應用于實驗室、水處理、環境監測、制藥、食品、農業、工業流程控制等諸多領域。














咨詢電話 0599-7821390
商務郵箱 hrgs@hrgs.com.cn

直接掃碼
虹潤微信客服

虹潤官方微信
fjhongrun